随着现代工业的迅猛发展,产品的更新换代也越来越频繁,与之相关的模具成型部分及相关机构也会随之发生变化,如何降低整套模具的开发制造周期就显得特别重要了。为了最大限度降低模具的设计开发周期,现在人们越来越重视模具的标准化工作,将同种类型不同型号的产品设计出企业内部的标准模架及相关标准件(包括标准流道设计),这样我们在模具设计开发过程中只要把产品三维建模与分模完成后,直接将模芯、型芯等零件装配到对应的标准模架中即可。这样我们只要细化斜推、滑块等机构的设计就可轻松完成整副模具的设计开发工作。由于模具在制造过程中涉及到的机加工与电加工的范围比较广,因此模具设计开发要遵循易加工的原则,最大限度减少模具的加工周期。本文结合作者多年的注射模具设计与制造经验,以壁挂空调器面板注射模具的设计为例,来对注射模具设计方法与技巧加以阐述。
该模具设计的依据是塑件图纸和塑料制件样品。对于塑件图纸,要注意图纸的技术要求,许多图纸明确给出尺寸公差等级、未注圆角、产品壁厚等,这些在模具设计时必须加以注意;对于塑料制件样品,重点是在样件上提取有用的模具设计信息,避免在设计上走弯路,这些信息包括分型面的位置、浇口的位置和形式、顶杆的大小与分布、抽芯机构的设计等等。该塑件材料为ABS,颜色为乳白色,按统一色板检验。制件成型后要求表面平整光洁,无扭曲变形、裂纹、流痕、熔接痕等外观缺陷,U面平直度≥1mm。尺寸公差按GB/T14486-MT5级执行,壁厚为2.5mm,未注倒圆角为R0.5mm,外表面不允许设置浇口。设计人员要认真消化图纸,特别是尺寸的标注是否准确、齐全,有没有未注脱模斜度、公差要求、装配要求等等,熔接痕、缩孔等成型缺陷的允许程度,若存在这些方面的问题,就得及时与客户取得联系,把存在的疑问一一消除。该塑件采用proeWildfire软件进行三维建模,形状如图1所示,整个产品建模完成大概需0.5~1天时间,并且在三维造型过程中要特别注意校验整体与卡勾的装配尺寸及相互配合产品的脱模斜度,以免在设计中产生不必要的失误。
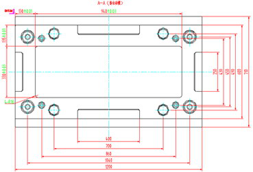
考虑到动、定模芯的机加工工艺性与点浇口、浇注系统位置的合理布置,分型面的选择如图2所示,这样既不会影响塑件的尺寸精度及外观,避免产生飞边,同时又能使塑料完好地成型,有利于脱模,且使塑件完全留在动模,便于顶出塑件。排气槽设置的位置选在分流道末端及熔融塑料体的熔合线处,排气槽深度≤0.04mm,宽度为8mm,以防溢流,同时塑件还可通过分型面与动模芯和顶杆、滑块的配合间隙进行排气。

图2、塑件分模设计
浇注系统的设计
该模具采用1模1腔结构,塑件外表面不允许开设浇口,以免影响其外观,又考虑到取料时在塑件与浇注系统连接处能自动剪断,决定在前后两个小长方形安装面上采用具有直流道与分流道的点浇口浇注系统。通过运用MoldFlow软件进行流动分析,得出如图1所示最佳的点浇口数量与位置,合理的流道系统形状和排布位置,并对型腔尺寸、浇口尺寸、流道尺寸进行优化。在主流道和分流道末端设有冷料穴,以防浇口被熔融塑料前锋面上的冷料堵塞。为了使主流道凝料易于脱出主流道衬套,将主流道设计成锥度为3°的锥形,主流道衬套小端直径为5mm,其球面半径为SR20mm,内表面粗糙度为Ra0.4um。为了易于顶出分流道中的凝料,决定采用改进梯形截面(其尺寸为:大端12mm,深7mm,根部圆角R4,斜度为6°)。为了使分流道凝料易于脱出分流道,将分流道设计成锥度为4°的锥形,其中分流道小端直径为1.5mm,以便于开模时将分流道自动拉断。
确定模架
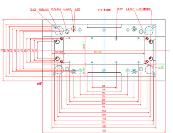
通过上述的设计步骤,塑件成型所需的水平面的投影大小基本得以确定,再考虑到动定模芯、拉杆、复位杆、导柱、导套等位置是否相互干涉,从而可估算出模具的水平面的投影尺寸。确定动模套板和定模套板的厚度。模板的厚度主要取决于塑件的高度、模板的面积、以及冷却水道排布等有关。强度和刚度计算是一种方法,但耗时较长,我们主要依靠经验确定。确定时要考虑模芯的固定深度和方位、相互之间的配比等。在本模具中,动、定模套板的厚度分别为250mm、150mm。另外,模脚的高度需根据实际塑件的特点而定。若型腔较深,需加高垫块以保证足够的顶出距离,在此模脚高度为180mm,顶出距离为90mm。整个模架在proeWildfire2.0装配模块中进行三维造型和装配,将模架造好之后,再完善各个模板的尺寸与导柱、导套、复位杆、大小拉杆等在模架中的位置尺寸,最后确定该模具的最大外形尺寸为1420×710×692,模架采用三板式细水口结构(如图3所示,今后凡是该类型的面板模具均可用该模架),按下料单定作,拟选用UBE-1300型注塑机。
脱模机构设计
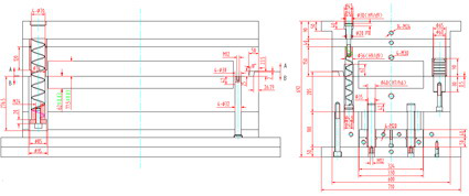
由于塑件上有和开模方向不同的侧向凸凹,故需确定其勾卡的侧抽方式,如斜导柱、斜滑块、斜顶、斜推、液压油缸等。考虑到该面板模具抽芯距离不大、加工工艺和制造成本等因素,决定拟采用斜顶,但由于卡子之间的距离太近,若全部采用斜顶就会发生干涉现象,故可采用7个斜顶、1个斜推进行侧抽芯,斜顶与斜推倾斜角度根据侧抽芯距离而定。为了保证顶出平稳可靠,决定采用双油缸顶出复位系统,同时配有行程开关进行行程控制,通过顶杆、斜顶和斜推等将塑件从动模芯中顶出,这样,不仅工作效率高,而且有利于提高模具寿命。流道系统依靠拉模器和大小拉杆的限位作用进行卸料。
其它模具零件的三维造型与结构设计
在分模设计与模架设计完毕后,紧接着要进行其它模具零部件的结构设计。同样在proeWildfire2.0装配模块中进行剩余零部件的三维造型和装配,由于零部件较多,在此不再详述,但造型完毕后要注意进行全局干涉检查,若存在零部件间的干涉还得进行修改。最后,进行流道系统和顶杆孔的三维造型设计,流道按Moldflow软件分析结果进行三维设计即可,而顶杆孔的设计既要顾及易蓄模的地方,又要考虑到冷却水道的布置问题,其位置排布如图4所示。
图4 注射模装配图
1.定模座板 2.推板 3.推板导套 4.顶杆固定板 5.推板导柱
6.动模套板 7.大拉杆 8.小拉杆 9.动模芯 10、11.精定位 12.定模套板 13.定模芯 14.脱浇板 15.定模座板 16.导柱 17.导套 18.定位圈 19.浇口套 20.复位杆 21.大拉杆 22、23.拉杆导套 24.拉杆限位板 25.拉料钉 26.限位柱 27..支撑柱 28、32、36、37、40、44、49斜顶 29、33、41、45、50导轨 30、34、42、46、51导向块 31、35、43、47、52耐磨块 38、39. 刹紧块 48.型芯 53.斜推
确定冷却水道的分布形式
塑料充满型腔后,应通过冷却使之定型,从而得到制品。冷却水道的分布应遵循一定的原则,总的来说,应保证塑件充分冷却且收缩平衡,而又不与其它零部件、孔系发生连通现象,以免漏水。本例中水道纵向排布,直径为
φ12mm,具体布置形式见图1。冷却系统设有翻水孔,以增加冷却效果,同时采用O型密封圈密封,以免出现泄漏现象,而且快速管接头不要露在模具外面,以免吊装和放置模具时将其压坏。
下料与绘制模具图纸
在进行注射模具设计时,选材非常重要,如果模具材料选择的不恰当,很可能会影响模具的使用寿命和工作效率,因此,必须严格按照制造工艺合理选择模具材料,其料单如表1所示。模具设计构思的过程,也就是模具图纸的绘制过程。随着CAD/CAM技术的迅速发展,无图纸加工虽已日见普遍,但是在一般的实际加工过程中模具图纸仍然是必不可少的,因为它能给操作工和钳工等提供一些重要位置尺寸、装配尺寸、技术要求、形位公差、粗糙度等,现仅将该模具的装配图(如图4所示)展示给大家,仅供参考。
表1 面板三板模下料单 3
结语
本文结合自己多年的注射模设计与制造经验,以明确而简洁的设计思路详细介绍了从零件三维建模、分模设计、模架三维装配设计、模具零部件三维造型到模具装配二维图一整套注射模设计方法与技巧。通过掌握上面的设计方法与技巧,有利于提高模具设计人员的设计水平和工作效率,缩短新产品的模具开发周期,从而为企业带来良好的经济效益.